Section 11-03: Steering Linkage | 1996 F-150, F-250, F-350, Bronco and F-Super Duty Workshop Manual |
Removal
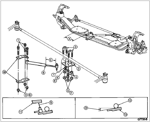
Remove nut attaching the damper to bracket on steering linkage.
Remove nut attaching the damper to right damper bracket (F-350) or axle bracket (F-Super Duty).
NOTE: The damper right bracket (F-350) or damper axle bracket (F-Super Duty) and steering linkage bracket can be removed from vehicle by removing the attaching bolts and nuts.
Remove damper from attaching brackets.
Installation
NOTE: If a new steering linkage bracket is being installed, make sure the bracket is properly positioned on the steering sector shaft arm drag link (3304) before tightening the U-bolt attaching nuts.
If the damper right bracket (F-350), axle bracket (F-Super Duty) or the steering linkage bracket was removed, install onto vehicle. Tighten to 21-30 Nm (15-22 lb-ft).
Install the damper in the attaching brackets.
Install the nut that attaches the damper to the right bracket (F-350) or axle bracket (F-Super Duty) to 34-48 Nm (25-35 lb-ft).
Install the nut that attaches the damper to the steering linkage bracket to 34-48 Nm (25-35 lb-ft).
Rotate the steering wheel from stop to stop. Check that the steering linkage damper is not bottoming out and that the steering linkage reaches its full travel when the steering wheel is turned from stop to stop.

| Item | Part Number | Description |
|---|---|---|
| 1 | — | Bolt (Part of 3E652) |
| 2 | 1L433 | U-Bolt |
| 3 | — | Tie Rod Bracket (Part of 3E652) |
| 4 | — | Flatwasher (Part of 3E652) |
| 5 | N620468-S2 | Nut |
| 6 | — | Nut (Part of 3E652) |
| 7 | — | Lockwasher (Part of 3E652) |
| 8 | 3E651 | Damper Assembly |
| 9 | — | Nut (Part of 3E652) |
| 10 | 3E653 | Bracket |
| 11 | 5310 | Front Spring |
| 12 | 3A130 | Tie Rod End |
| 13 | — | Bracket (Part of 3E652) |
| A | — | 109.5mm (3.3 Inches) |
| B | — | 19mm (3/4 Inches) |
| C | — | 158.8mm (6.25 Inches) |
| D | — | 5 Degrees |
| E | — | Tighten to 65-90 Nm (48-66 Lb-Ft) |
| F | — | Tighten to 21-30 Nm (15-22 Lb-Ft) |