Section 07-03A: Transmission, Manual, M5OD | 1996 F-Series and Bronco (under 8500 lbs. GVW) with 4.9L and 5.0L Engines Workshop Manual |
| Description | Tool Number |
|---|---|
| Top Cover Holding Fixture | T88T-7025-C |
Disassembly
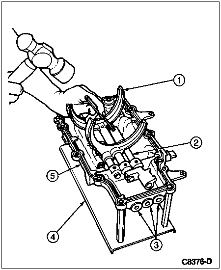
Using a 12mm wrench, remove ten retaining bolts. Remove case cover (7222).

NOTE: For reference during assembly, notice that grooves in bushing align with slots in lower shift lever pivot ball. Notice that the notch in the lower gearshift lever and housing faces toward front of transmission.
Position case cover into Top Cover Holding Fixture T88T-7025-C.
If necessary, remove gearshift lever boot (7277) and gearshift lever and housing from case cover, if not removed during disassembly. Remove three dust cover retaining screws using a T30 Torx® wrench. Remove dust cover.

Remove backup lamp switch from case cover. Remove backup lamp switch pin from groove in case cover.
Spring and Detent Ball Assembly

| Item | Part Number | Description |
|---|---|---|
| 1 | 15520 | Backup Lamp Switch |
| 2 | 7392 | Pin |
| 3 | 7235 | Small Interlock Pin |
| 4 | 7C316 | Shift Rod Lock Pin |
| 5 | 7R318 | Pin |
| 6 | 7G072 | Manual Lever Position Switch |
NOTE: Discard original spring pins.
Invertcase cover on Top Cover Holding Fixture T88T-7025-C. Using a 5/32-inch drift punch, remove spring pins retaining gear shifter forks (7230) to the shift rail.

| Item | Part Number | Description |
|---|---|---|
| 1 | 7230 | Gear Shifter Fork |
| 2 | 7240 | Shift Rail |
| 3 | 7A107 | Service Bore Plugs |
| 4 | T88T-7025-C | Top Cover Holding Fixture |
| 5 | 7222 | Case Cover |
Make sure all shift rails and gates are positioned in NEUTRAL. Remove and discard spring pins retaining shift gates to shift rails. Remove shift gates.
Remove three rubber plugs sealing shift rod service bores.
WARNING: WEAR SAFETY GLASSES WHILE PERFORMING SHIFT RAIL REMOVAL PROCEDURE.
CAUTION: Perform the following shift rail removal procedures with great care. Cover the lockball bores and friction device and spring seats with a clean cloth held firmly in place during shift rail removal. Failure to firmly cover lockball bores and friction device can result in component loss when the ball/friction device and shifter interlock spring (7234) forcefully leave their installed positions.
Remove reverse gear shift rail (7240) from case cover through service bore. If necessary, insert a 5/16-inch drift punch through spring pin bore and gently rock reverse gear shift rail from side to side while maintaining rearward pressure.
Remove shift control shaft (7241) from case cover through service bore. If necessary, insert a drift punch through spring pin bore and gently rock shift control shaft from side to side while maintaining rearward pressure.
Remove retaining bolts using a 10mm socket and remove gear selector interlock sleeve (7K201).

Assembly
NOTE: During assembly apply Motorcraft MERCON® Multi-Purpose Automatic Transmission Fluid XT-2-QDX or -DDX or equivalent MERCON® to all rotating or sliding parts.
Position case cover into Top Cover Holding Fixture T88T-7025-C.
Position gear selector interlock sleeve to case cover. Install retaining bolts and tighten to 8-10 Nm (6-7 lb-ft).
Position third/fourth shift control shaft into case cover through service bore. If necessary, insert a 5/16-inch drift punch through spring pin bore and gently rock third/fourth shift control shaft from side to side while maintaining forward pressure.
Position detent ball and shifter interlock spring into shift rod spring seats.
Compress the detent ball and spring assembly using a suitable tool, and push third/fourth shift control shaft into position over detent ball.
Engage third/fourth gear shifter fork with third/fourth shift control shaft.
Position friction device and shifter interlock spring into shift rod spring seats.
Compress friction device and spring assembly using a suitable tool, and push third/fourth shift control shaft into position over friction device.
Install spring pins retaining third/fourth shift control shaft to case cover.
Install shifter interlock spring retaining third/fourth gear shifter fork to third/fourth shift control shaft.
Position first/second shift control shaft into case cover through service bore. If necessary, insert a 5/16-inch drift punch through spring pin bore and gently rock shift control shaft from side to side while maintaining forward pressure.
Position detent ball and shifter interlock spring into shift rod spring seats.
Compress the detent ball and spring assembly using a suitable tool and push reverse shift control shaft into position over detent ball.
Engage first/second gear shifter fork with shift control shaft.
Position friction device and shifter interlock spring into shift rod spring seats.
Compress friction device and spring assembly using a suitable tool, and push shift control shaft into position over friction device.
Install spring pins retaining shift control shaft to case cover.
Install spring pin retaining first/second gear shifter fork to shift control shaft.
Position fifth/reverse shift control shaft to case cover through service bore. If necessary, insert a 5/16-inch drift punch through spring pin bore and gently rock fifth/reverse shift control shaft from side to side while maintaining forward pressure.
Position detent ball and shifter interlock spring into shift rod spring seats.
Compress the detent ball and shifter interlock spring using a suitable tool, and push fifth/reverse shift control shaft into position over detent ball.
Engage fifth/reverse gear shifter fork with fifth/reverse shift control shaft.
Install spring pins retaining fifth/reverse shift control shaft to case cover.
Install spring pin retaining fifth/reverse gear shifter fork to fifth/reverse shift control shaft.
Install rubber plugs into service bores.
NOTE: Improper installation of interlock pins will prevent activation of manual lever position switch (MLP switch) and/or backup lamp switch (15520).
Install interlock pins into shift rails. Make sure that large and small interlock pins are installed into their original positions.
Apply sealant to backup lamp switch and manual lever position switch threads. Install switches to case cover and tighten to 25-35 Nm (18-26 lb-ft).
Position lower gearshift lever and housing and dust cover assembly to case cover. Install three retaining screws and tighten to 8-11 Nm (71-97 lb-in).