Section 06-07C: Brake, Power, Hydro-Boost Booster | 1996 F-Super Duty Chassis Cab and Motorhome Chassis Workshop Manual |
WARNING: THE POWER BRAKE BOOSTER (2005) SHOULD NOT BE CARRIED BY THE ACCUMULATOR, NOR SHOULD IT EVER BE DROPPED ON THE ACCUMULATOR. THE SNAP RING ON THE ACCUMULATOR SHOULD BE CHECKED FOR PROPER SEATING BEFORE THE POWER BRAKE BOOSTER IS USED. THE ACCUMULATOR CONTAINS HIGH-PRESSURE NITROGEN GAS AND CAN BE DANGEROUS IF MISHANDLED.
WARNING: IF THE ACCUMULATOR IS TO BE DISPOSED OF, IT MUST NOT BE EXPOSED TO EXCESSIVE HEAT, FIRE OR INCINERATION. BEFORE DISCARDING THE ACCUMULATOR, DRILL A 1.6MM (1/16-INCH) DIAMETER HOLE IN THE END OF THE ACCUMULATOR CAN TO RELIEVE THE GAS PRESSURE. ALWAYS WEAR SAFETY GLASSES WHEN PERFORMING THIS OPERATION.
Removal
CAUTION: Do not activate the power brake booster with the brake master cylinder (2140) removed.
With the engine (6007) off, depress the brake pedal (2455) several times to discharge the accumulator.
Remove the brake master cylinder from the Hydro-Boost power brake booster. Support the brake master cylinder and position out of the way.
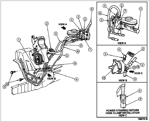
Disconnect power steering right turn pressure hose (3A717), power steering left turn pressure hose (3A714) and power steering return line hose (3A005) from the power brake booster.
Disconnect the brake pedal push rod from the brake pedal.
Remove the power brake booster nuts, and remove the power brake booster from the vehicle.
Installation
Install the power brake booster in the vehicle and tighten the power brake booster nuts to 21-28 Nm (16-21 lb-ft).
Connect the brake pedal push rod to the brake pedal.
Position the brake master cylinder on the power brake booster and tighten the brake master cylinder-to-power brake booster nuts to 21-28 Nm (16-21 lb-ft).
Connect the power steering right turn pressure hose, power steering left turn pressure hose and power steering return line hose to the Hydro-Boost power brake booster. Refill the system and bleed as required.

| Item | Part Number | Description |
|---|---|---|
| 1 | 3504 | Steering Gear |
| 2 | 3A697 | Power Steering Oil Reservoir |
| 3 | 3A717 | Power Steering Right Turn Pressure Hose |
| 4 | 3A714 | Power Steering Left Turn Pressure Hose |
| 5 | 2344 | Power Steering Return Line Clamp |
| 6 | 3A005 | Power Steering Return Line Hose |
| 7 | 2005 | Power Brake Booster |
| 8 | 95873-S | Bundling Strap |
| 9 | 3A713 | Power Steering Return Hose (Steering Gear-to-Pump) |
| 10 | 40949-S2 | Screw, Power Steering Line Clamp |
| 11 | 2140 | Brake Master Cylinder |
| 12 | — | Power Steering Right Turn Pressure Hose Fitting (Part of 3A717) |
| 13 | 3A674 | Power Steering Pump |
| A | — | Tighten to 15-20 Nm (11-15 Lb-Ft) |
| B | — | Tighten to 30-40 Nm (22-29 Lb-Ft) |

| Item | Part Number | Description |
|---|---|---|
| 1 | 2455 | Brake Pedal |
| 2 | 380699 | Self-Locking Pin |
| 3 | 2N060 | Boot |
| 4 | 44880-S2 | Washer |
| 5 | 2474 | Brake Master Cylinder Push Rod Bushing |
| 6 | 2005 | Power Brake Booster |
| 7 | 2140 | Brake Master Cylinder |
| 8 | 2C022 | Heat Shield |
| 9 | 2031 | Booster Front Mounting Bracket |
| 10 | N630088 | Washer |
| 11 | 2A248 | Master Cylinder and Booster Bracket Holder |
| 12 | N601790 | Bolt |
| 13 | 2474 | Brake Master Cylinder Push Rod Bushing |
| 14 | N802114-S2 | Bolt |
| 15 | N800937-S2 | Nut |
| 16 | 389564-S190 | Bolt |
| 17 | 2B353 | Bellcrank Bracket |
| 18 | 44878-S2 | Washer |
| 19 | 382400-S2 | Nut |
| 20 | 44880-S2 | Washer |
| 21 | 2B362 | Bellcrank Spacer |
| 22 | 2B327 | Bellcrank |
| 23 | 2A525 | Bellcrank Rod |
| 24 | 2B129 | Brake Master Cylinder Push Rod Spacer |
| 25 | 2462 | Brake Pedal Pin |
| 26 | 13480 | Stoplight Switch |
| 27 | 382400-S2 | Nut |
| 28 | 44878-S2 | Washer |
| 29 | 389863-S2 | Bolt |
| 30 | 2461 | Brake and Clutch Pedal Bushing |
| 31 | 7506 | Clutch and Brake Pedal Pivot Shaft |
| A | — | Tighten to 86-104 Nm (65-88 Lb-Ft) |
| B | — | Tighten to 50-68 Nm (37-50 Lb-Ft) |