Section 06-07C: Brake, Power, Hydro-Boost Booster | 1996 F-Super Duty Chassis Cab and Motorhome Chassis Workshop Manual |
The reserve braking system consists of a charging valve, an accumulator valve and a compressed gas accumulator. The system is open to the pressure port of the power brake booster (2005).
The accumulator is charged by the pump pressure during normal steering or braking operation through an accumulator charging valve that communicates with the inlet port from the power steering pump (3A674).
The accumulator charging valve has an orifice and a check valve. Fluid from the power steering pump passes around the check valve into the accumulator if the power steering pump pressure exceeds the pressure in the accumulator. The charging rate is controlled by the orifice to minimize its effect on fluid flow to the steering gear (3504). The check valve prevents reverse flow when the accumulator pressure is greater than power steering pump pressure.
The accumulator charging valve is a small poppet-type valve held closed by the pressure stored in the accumulator. An actuator on the spool valve sleeve opens the accumulator charging valve when a stop is required and no power steering pump pressure is available. This allows pressure stored in the accumulator to assist the brake effort.
Fluid pressure can also enter the accumulator from the boost chamber through the accumulator charging valve. This condition occurs whenever boost chamber pressure momentarily exceeds accumulator pressure.
A pressure relief valve vents the accumulator to the inlet port from the power steering pump whenever pressure in the accumulator exceeds approximately 9,652 kPa (1,400 psi).
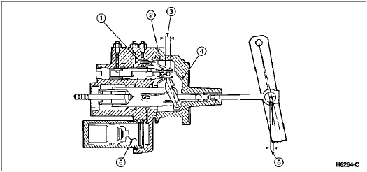
Hydro-Boost Booster, Reserve Operation
| Item | Part Number | Description |
|---|---|---|
| 1 | — | Accumulator Charging Valve (Part of 2005) |
| 2 | — | Accumulator Charging Valve Contacted |
| 3 | — | Lever Travel |
| 4 | — | Boost Cavity (Part of 2005) |
| 5 | — | Brake Pedal Push Rod Travel |
| 6 | — | Accumulator Piston (Part of 2005) |
When reserve power is depleted (manual operation), pressure on the brake pedal (2455) will cause the input bracket to separate from a shoulder on the brake pedal push rod, compressing the input spring and allowing a change of ratio between brake pedal and brake master cylinder push rods. This ratio increase will cause the brake pedal to travel further and increases the mechanical force applied to the brake master cylinder (2140).
Hydro-Boost Booster, Manual Operation
| Item | Part Number | Description |
|---|---|---|
| 1 | — | Input Rod Spring (Part of 2005) |
| 2 | — | Input Rod Travel |
| 3 | — | Input Bracket (Part of 2005) |
| 4 | — | Separation Between Input Bracket and Input Rod Shoulder |
| 5 | — | Brake Master Cylinder Push Rod Travel |