Section 03-03: Engine Cooling | 1996 F-150, F-250, F-350, F-Super Duty, Bronco Vehicles and F-250, F-350 and F-Super Duty Vehicles with 7.3L Diesel Engines Workshop Manual |
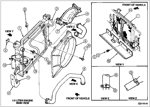
Removal
Drain the cooling system. Refer to Cooling System Draining, Filling and Bleeding in the Cleaning and Inspection portion of this section.
On a Bronco vehicle, remove air cleaner intake tube.
Remove the radiator overflow hose (8075) from the radiator (8005).
Remove the two upper attaching screws, lift the fan shroud (8146) out of the lower retainer clips, move away from radiator and place over fan. On F-Super Duty Motorhome Chassis vehicles remove the two screws at the bottom of the fan shroud.
Position the upper and lower hose clamps toward the middle of hoses. Remove the upper radiator hose (8260) and lower radiator hose (8286) from the radiator connectors.
Remove the heater water bypass hose (E4OD-equipped vehicles only) located directly below the overflow nipple on the radiator outlet tank.
Disconnect the two automatic transmission (if so equipped) oil cooling lines from radiator fittings.
Remove the two radiator upper attaching screws or bolts.
Tilt the radiator back approximately 25mm (one inch) and lift directly upward, clear of the radiator support bracket (8052) and fan blade (8600).
If either upper radiator hose or lower radiator hose is to be replaced, position clamp toward the middle of hose and slip the hose off the connection with a twisting motion.
Lift the fan shroud off the fan and remove from the vehicle.
Installation
Inspect the radiator mounting insulators (8124). Replace if necessary.
Position fan shroud on fan until radiator is installed.
If either upper radiator hose or lower radiator hose has been replaced, install on engine (6007) with index arrow in line with mark on fitting on engine. Position clamps.
Install the heated water bypass hose (E4OD-equipped vehicles only) to the nipple located below the overflow tank.
Position radiator into engine compartment to radiator support (16138), being careful to clear fan.

Install two upper attaching bolts or screws. Tighten to 11-14 Nm (8-11 lb-ft).
Connect the two automatic transmission (if so equipped) oil cooling lines to radiator connectors and tighten tube nuts to 16-24 Nm (12-18 lb-ft) or clamps to 4-5 Nm (35-44 lb-in).
Attach upper radiator hose and lower radiator hose to radiator. Position hose on radiator connection so that index arrow on hose is in line with mark on connection. Position clamps.
Position fan shroud on the lower retainer clips and attach the top of the fan shroud to radiator with two screw and washer assemblies. On F-Super Duty Motorhome Chassis vehicles install the two lower screws. Tighten screws to 6-8 Nm (53-71 lb-in).
Attach radiator overflow hose from radiator coolant recovery reservoir (8A080) to radiator.
Install air cleaner intake tube (Bronco only).
WARNING: DO NOT STAND IN LINE WITH OR NEAR RADIATOR FAN BLADE WHEN ENGINE IS RUNNING.
Refill cooling system. Refer to Cooling System Draining, Filling and Bleeding in the Cleaning and Inspection portion of this section.

| Item | Part Number | Description |
|---|---|---|
| 1 | 8005 | Radiator |
| 2 | N804639-S2 | Nut |
| 3 | 8075 | Radiator Overflow Hose |
| 4 | 8146 | Fan Shroud |
| 5 | 8286 | Lower Radiator Hose |
| 6 | 8146 | Fan Shroud |
| 7 | N606677-S2 | Screw |
| 8 | 8260 | Upper Radiator Hose |
| 9 | N606691 | Screw |
| 10 | 389252-S100 | Clamp |
| 11 | 8124 | Radiator Mounting Insulator |
| 12 | 8052 | Radiator Support Bracket |
| 13 | 17B613 | Reservoir Assembly |
| 14 | 19E525 | Upper Radiator Air Deflector |
| 15 | W611631-S36 | Screw |
| 16 | 8B407 | Lower Radiator Air Deflector |
| A | — | Tighten to 5-8 Nm (44-71 Lb-In) |
| B | — | Tighten to 11-14 Nm (8-11 Lb-Ft) |
| C | — | Tighten to 25-30 Nm (18-22 Lb-Ft) |
| D | — | Line Up Paint Stripe with Boss on Connector |

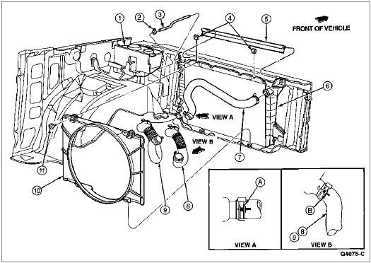
| Item | Part Number | Description |
|---|---|---|
| 1 | 17618 | Windshield Washer Reservoir |
| 2 | 389252-S100 | Clamp |
| 3 | 381440-S200A | Hose, Overflow |
| 4 | N804639-S2 | U-Nut, M6 x 1.0 |
| 5 | 19E525 | Air Deflector, Performance Truck Only |
| 6 | 8005 | Radiator |
| 7 | 8260 | Upper Radiator Hose |
| 8 | 8286 | Lower Radiator Hose (5.8L) |
| 9 | 8286 | Lower Radiator Hose (5.0L) |
| 10 | 8146 | Fan Shroud |
| 11 | N807151-S2 | Screw and Washer, M6 x 1.0 |
| A | — | Line Up Paint Stripe Front Side of Hose |
| B | — | Line Up Paint Stripe with Boss on Connector |

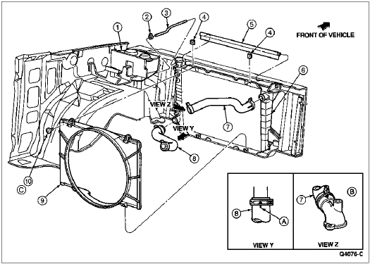
| Item | Part Number | Description |
|---|---|---|
| 1 | 17618 | Windshield Washer Reservoir |
| 2 | 389252-S100 | Clamp |
| 3 | 381440-S200A | Hose |
| 4 | N804639-S2 | U-Nut |
| 5 | 19E525 | Deflector |
| 6 | 8005 | Radiator |
| 7 | 8260 | Upper Radiator Hose |
| 8 | 8286 | Lower Radiator Hose |
| 9 | 8146 | Fan Shroud |
| 10 | N807151-S2 | Screw and Washer |
| A | — | Align Arrow at 12 O'Clock Position |
| B | — | Align Arrow to Boss |
| C | — | Tighten to 5-7 Nm (44-62 Lb-In) |

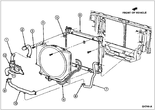
| Item | Part Number | Description |
|---|---|---|
| 1 | 8260 | Upper Radiator Hose |
| 2 | 8124 | Radiator Mounting Insulator |
| 3 | N801731 | Nut |
| 4 | 8A080 | Radiator Coolant Recovery Reservoir |
| 5 | 8286 | Lower Radiator Hose |
| 6 | 8005 | Radiator |
| 7 | N606691 | Bolt |
| 8 | 8146 | Fan Shroud |
| 9 | N620482 | Nut |
| 10 | N620481 | Nut |
| 11 | 8052 | Radiator Support Bracket |
| 12 | N606064 | Bolt |
| 13 | 52721 | Bolt |
| 14 | N605786 | Bolt |
Aluminum Core Downflow, F-Super Duty Commercial Chassis, 7.3L Diesel
Removal
Drain the Cooling System. Refer to Cooling System Draining, Filling and Bleeding in the Cleaning and Inspection portion of this section.
Remove the 3/8-inch rubber radiator degas hose from the radiator.
Remove the attaching bolts and lift the fan shroud back and place it over the fan.
Loosen the upper radiator hose clamp and remove the upper radiator hose from the radiator.
Disconnect the two automatic transmission (if so equipped) oil cooling lines from radiator fittings.
Disconnect the heated water bypass hose attached to the radiator filler neck (E4OD-equipped vehicles only).
Remove the four radiator attaching bolts.
Tilt the radiator back approximately 25mm (one inch) and lift directly upward, clear of the radiator support.
If either upper radiator hose or lower radiator hose is to be replaced, loosen clamp at the engine end and slip the hose off the connection with a twisting motion.
Lift the fan shroud off the fan and remove from the vehicle.
Installation
Position fan shroud on fan until radiator is installed.
If either upper radiator hose or lower radiator hose has been replaced, install on engine with index arrow in line with mark on fitting. Install constant tension clamps.
Position radiator into engine compartment to radiator support, being careful to clear fan blade.
Install the radiator with four bolts and tighten to specifications.
Connect the two automatic transmission (if so equipped) oil cooling lines to radiator connectors and tighten tube nuts to 16-24 Nm (12-18 lb-ft) or clamps to 4-5 Nm (35-44 lb-in).
Attach upper radiator hose and lower radiator hose. Install constant tension clamps.
Attach the heated water bypass hose (E4OD-equipped vehicles only).
Position fan shroud to radiator and attach with two bolts. Tighten bolts to specifications.
Attach 3/8-inch rubber radiator degas hose from radiator coolant recovery reservoir to radiator.
WARNING: DO NOT STAND IN LINE WITH OR NEAR RADIATOR FAN BLADE WHEN ENGINE IS RUNNING.
Refill the cooling system. Refer to Cooling System Draining, Filling and Bleeding in the Cleaning and Inspection portion of this section.

| Item | Part Number | Description |
|---|---|---|
| 1 | 8592 | Water Hose Connection (Upper) |
| 2 | 8260 | Radiator Upper Hose |
| 3 | N606677-S2 | Screw and Washer, 1 x 1.25 Hex |
| 4 | 8146 | Shroud |
| 5 | N800854-S2 | U-Nut |
| 6 | 8005 | Radiator |
| 7 | 8C351 | Hose |
| 8 | 8287 | Clamp |
| 9 | — | Transmission Cooler Lines (See Group 07) |
| 10 | 8286 | Radiator Lower Hose |
| 11 | 8592 | Water Hose Connection (Lower) |
| 12 | 8501 | Water Pump |
Radiator, Downflow, F-Super Duty Commercial Chassis
Removal
Drain the cooling system. Refer to Cooling System Draining, Filling and Bleeding in the Cleaning and Inspection portion of this section.
Remove the 3/8-inch rubber radiator degas hose from the radiator.
Remove the two or four attaching bolts and lift the fan shroud back and drape it on the fan.
Loosen the upper and lower hose clamps at the radiator and remove the upper radiator hose and lower radiator hose from the radiator connectors.
Disconnect the two automatic transmission (if so equipped) oil cooling lines from radiator fittings.
Disconnect the heated water bypass hose attached to the radiator filler neck (E4OD-equipped vehicles only).
Remove the four radiator attaching bolts.
Tilt the radiator back approximately 25mm (one inch) and lift directly upward, clear of the radiator support.
If either upper radiator hose or lower radiator hose is to be replaced, loosen clamp at the engine end and slip the hose off the connection with a twisting motion.
Lift the fan shroud off the fan and remove from the vehicle.
Installation
Position fan shroud on fan until radiator is installed.
If either upper radiator hose or lower radiator hose has been replaced, install on engine with index arrow in line with mark on fitting. Install constant tension clamps.
Position radiator into engine compartment to radiator support, being careful to clear fan blade.
Install the radiator with four bolts and tighten to specifications.
Connect the two automatic transmission (if so equipped) oil cooling lines to radiator connectors and tighten tube nuts to 16-24 Nm (12-18 lb-ft), or clamps to 4-5 Nm (35-44 lb-in).
Attach upper radiator hose and lower radiator hose. Install constant tension clamps.
Attach the heated water bypass hose (E4OD-equipped vehicles only).
Position fan shroud to radiator and attach with two bolts. Tighten bolts to specifications.
Attach 3/8-inch rubber radiator degas hose from radiator coolant recovery reservoir to radiator (where applicable).
WARNING: DO NOT STAND IN LINE WITH OR NEAR RADIATOR FAN BLADE WHEN ENGINE IS RUNNING.
Refill cooling system. Refer to Cooling System Draining, Filling and Bleeding in the Cleaning and Inspection portion of this section.